Інженерні системи дозволять грамотно прокласти комунікації та зробити будинок по-справжньому комфортним і сучасним.
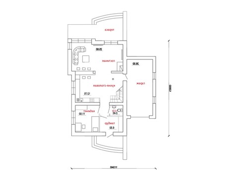
| Артикул | 4M807 |
| Кількість поверхів: | 3 |
| Загальна площа: | 155.00 м2 |
| Висота стелі: | 2.80 м |
| Кількість спалень: | 3 |
| Кількість санвузлів: | 2 |
| Гараж: | Гараж на одне авто |
| Мінімальний розмір ділянки (довжина): | 19.00 м |
| Мінімальний розмір ділянки (ширина): | 18.00 м |
Матеріали: | |
| Стіни: | газобетон, керамічні блоки |
| Перекриття: | монолітне перекриття |
| Дах: | керамічна черепиця, металочерепиця, цементно-піщана черепиця |
| Фундамент: | монолітна стрічка |
|
|
|
Спасибі, ми з Вами зв'яжемося найближчим часом. |
|
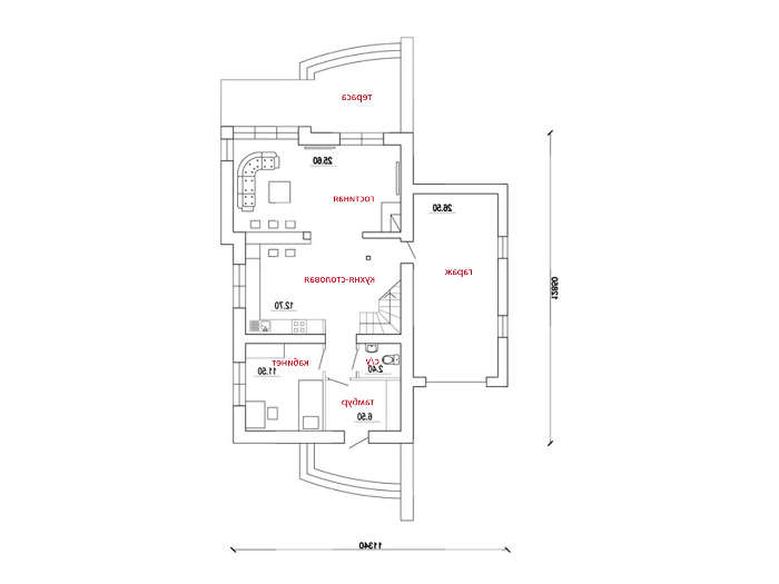
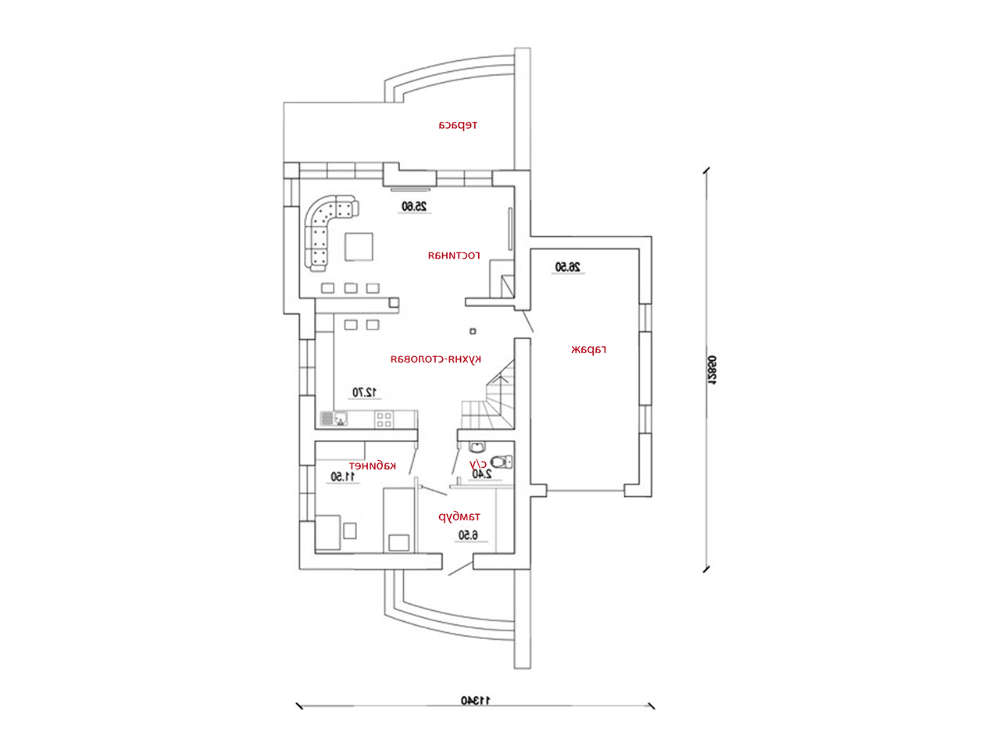
| Артикул | 4M807 |
| Кількість поверхів: | 3 |
| Загальна площа: | 155.00 м2 |
| Висота стелі: | 2.80 м |
| Кількість спалень: | 3 |
| Кількість санвузлів: | 2 |
| Гараж: | Гараж на одне авто |
| Мінімальний розмір ділянки (довжина): | 19.00 м |
| Мінімальний розмір ділянки (ширина): | 18.00 м |
Матеріали: | |
| Стіни: | газобетон, керамічні блоки |
| Перекриття: | монолітне перекриття |
| Дах: | керамічна черепиця, металочерепиця, цементно-піщана черепиця |
| Фундамент: | монолітна стрічка |
|
|
|
Спасибі, ми з Вами зв'яжемося найближчим часом. |
|
Купуючи проект будинку в компанії Dom4M, Ви отримуєте комплект креслень, необхідний для проведення будівельних робіт.
В основному складі наш проект містить Пояснювальну записку та три великих розділи - Архітектурний, Конструктивний та Інженерний: водопостачання, опалення, вентиляція, каналізація, електропостачання ( купується за додаткову плату ).
Водопостачання і каналізація
Опалення, вентиляція
Електротехнічні рішення:
Термін виготовлення проекту будинку становить від 7 до 35 робочих днів.
Обсяг проектної документації – від 50 до 90 сторінок формату А4 чи А3, в залежності від складності проекту
Наша команда Архітекторів, Конструкторів та Інженерів – завжди готова втілити Вашу мрію в реальність!
Ми можемо вносити будь-які зміни в проект за Вашим побажанням і адаптувати його з урахуванням конкретних геолого-топографічних та кліматичних умов, за додаткову плату.
Завжди раді Вам допомогти!
Проект будинку – пакет документації, що складається з Архітектурного, Конструкторського та Інженерного розділів. Основу проекту складають Архітектурний та Конструкторський розділи. Загалом, якщо замовник довіряє виконробу і вважає, що той може зібрати професійну команду фахівців з інженерних комунікацій, то від розробки інженерної частини можна і відмовитися. Але справа в тому, що
архітектор, конструктор і інженер над проектом працюють спільно і такі моменти, як, наприклад, технологічні отвори у перекриттях та стінах для прокладення інженерних систем, передбачаються ними ще на стадії проектування.
Водопостачання та каналізація (ВК)
Опалення та вентиляція (ОВ)
Електропостачання (ЕТР)
ВАЖЛИВО
Простежте, щоб у розділах містилися загальні дані, загальний та технічний опис, специфікація матеріалів та обладнання.
Інженерні системи дозволять грамотно прокласти комунікації та зробити будинок по-справжньому комфортним і сучасним.
Всі наші типові проекти враховують основні потреби середньостатистичної сім'ї, щоправда, в такому випадку говорити про індивідуальність вашого майбутнього житла не доводиться. Але, щоб будинок виглядав оригінально і повністю відповідав вашим вимогам, ми готові внести зміни в проект.
ВАЖЛИВО:
Можуть бути внесені наступні зміни у проект будинку:
Ціна: від 2500 грн.
Будинок, побудований за типовим проектом, теж може виглядати оригінально
Ми йдемо в ногу з часом і вже сьогодні пропонуємо вам можливість отримати разом з проектною документацією BIMx модель - заснованої на технології, що забезпечує одночасну навігацію по 2D-документації і 3D-моделей будівель.
Тепер ви зможете «покрутити, походити всередині, побачити ваш майбутній Будинок з усіх боків» Подивитися всі розміри і висоти, специфікації прорізів і тд. Ви отримаєте файл, який буде вашим надійним, зручним помічником для контролю будівництва. _300x169.jpg)
* Файл ви отримуєте в електронному вигляді і використовуєте за допомогою програми BIMX на мобільних пристроях Apple і Android
Додаток BIMX доступно безкоштовно в Play Market, App store
Ціна: 5200 грн.
BIMx модель - інтерактивний перегляд тривимірної моделі вашого будинку. Тепер ви зможете «покрутити, походити всередині, побачити ваш майбутній Будинок з усіх боків»
Складно передбачити, який тип ґрунту буде на ділянці, де планується побудувати будинок. Тому типові проекти будинків розробляються з урахуванням усереднених параметрів ґрунту. Але найчастіше вони істотно відрізняються від інженерно-геологічних параметрів реальної ділянки забудови. Отже, фундамент доведеться адаптувати під конкретний проект.
Для цього і розроблено пакет «Адаптація фундаменту», який включає в себе:
Адаптація фундаменту, виконана фахівцями, дає повну гарантію його надійності, а відповідно і надійності всього будинку. Більше того, будівництво фундаменту, адаптованого за уточненими інженерно-геологічними даними, може виявитися дешевше, ніж варіант, спочатку запропонований у проекті.
Підготовка проекту фундаменту до конкретної ділянки
За бажання бути оригінальним, несхожим на інших, доводиться платити. Це твердження справедливе
і для індивідуального проектування будинків. Так, такий проект завжди унікальний і повністю враховує всі побажання забудовника. Але він і обійдеться дорожче типового. Тут, все залежить від уподобань та фінансових можливостей клієнта.
Але іноді буває й так, що ситуацію може врятувати тільки індивідуальне проектування. Наприклад, коли замовник побачив будинок у глянцевому журналі і категорично вимагає, щоб його житло виглядало саме так. Ось більш прозаїчний випадок: під забудову обрано нестандартну ділянку. А буває й так, замовник у вже обраний типовий проект вносить таку кількість змін і доповнень, що простіше, а головне дешевше, буде розробити проект з нуля.
Реалізуйте свою індивідуальність!
Інженерно-геологічні вишукування проводяться для того, щоб визначити особливості земельної ділянки, обраної під забудову. Головна мета таких робіт у тому, щоб звести до мінімуму всі можливі негативні фактори, які можуть вплинути на будівельні роботи та експлуатацію вже готового будинку. Першочергово, ці дані необхідні для закладки фундаменту. А, як відомо, від його міцності безпосередньо залежить надійність всієї будови.

1 категорія
Поверхня земельної ділянки горизонтальна
2 категорія
Земельна ділянка з помітним ухилом
3 категорія
Мінливий рельєф земельної ділянки
Необхідно розуміти, що геологічні роботи – це розумні витрати, від яких залежить загальна безпека. До того ж, найчастіше, інженерно-геологічні вишукування допомагають знизити загальну вартість будівлі будинку, коли виявляється, що можна замінити спочатку закладені в проекті будинку матеріали на менш дорогі або знизити їх витрати.
Ціна: від 6000 грн.
Якщо ви бажаєте побудувати добротний будинок, в якому буде жити не одне покоління вашої родини, є сенс скористатися пакетом "Геологія", який виконають кваліфіковані фахівці компанії Dom4m
Геодезичні роботи дозволяють не лише оптимально вписати будівлю у навколишній ландшафт та інфраструктуру, а й заощадити час, гроші і не допустити перевитрат матеріалів.
У процесі цих робіт визначаються межі майбутнього домоволодіння та створюється пакет землевпорядних документів. Це дозволить вам без проблем оформити право на користування землею.
Інженерно-геодезичні роботи
У ході досліджень уточнюються геодезичні та топографічні дані. Результатом таких робіт є докладний технічний звіт.
Розбивочні роботи
Паперовий проект максимально точно переноситься на земельну ділянку: наносяться осі споруд та інженерних комунікацій, визначається конфігурація котловану і огорожі.
Ціна: від 3000 грн.
Пакет "Геодезія" це комплекс розрахунків, які дозволяють грамотно розташувати будинок на ділянці.
Тендерна пропозиція – документ, в якому ретельно розписані будівельні матеріали, зазначено їх необхідну кількість, а також наведено перелік майбутніх робіт та їх обсяг. Іншими словами, це Ваші витрати на будівлю майбутнього будинку. Але не тільки. Це ще й можливість контролювати витрати і коригувати перелік матеріалів та робіт.
Як правило, замовник отримує від нашої компанії тендерну пропозицію у вигляді таблиці у форматі *.xls. Це дозволить забудовнику надалі самостійно проводити аналіз та редагування документа.
Ціна: 5800 грн.
Замовте розгорнутий кошторис. Будуйте з вигодою для себе!
Основна мета вертикального планування передбачає створення спланованих поверхонь, задовольняючи вимоги будівельних та інженерних норм. Вертикальне планування території покликане створити сприятливі умови для розміщення будівель і споруд, прокладки вулиць, проїздів, підземних інженерних комунікацій та ін. Всі ці заходи пов'язані з роботами по зрізку, підсипання і переміщенню земляних мас. Дотримання балансу земляних робіт дозволить використовувати для насипів грунт, знятий при зміні рельєфу, вийнятий при створенні майданчиків і доріжок, прокладки дренажної. .jpg)
Щоб створити вертикальне планування ділянки, проводяться геодезичні дослідження.
Основна мета вертикального планування передбачає створення спланованих поверхонь, задовольняючи вимоги будівельних та інженерних норм.
У сніжну зиму замети та лід на даху можуть доставити безліч клопоту. Перекриття в сучасному будинку навряд чи обрушаться під їхньою вагою, але сніг що падає за комір і бурульки - це не найприємніше. Можна, звичайно, і дідівським способом почистити дах. Помахати лопатою на морозі 2-3 години, час від часу покрикуючи на домочадців в дусі Василя Алібабайовича з "Джентльменів удачі": "Ти сюди не ходи, ти сюди ходи! А то сніг башка потрапить…"
Але в сучасному світі вже давно створені зручні та ефективні системи сніготанення та антизледеніння. І, до речі, використовуються вони не тільки для дахів. Їх основа – нагрівальні кабелі. Системи працюють за принципом "тепла підлога", але відрізняються більшою потужністю та меншим кроком укладання кабелю.
Пакет "Антикрига" - це проектна документація, розроблена з урахуванням особливостей енергопостачання конкретного будинку:
ВАЖЛИВО:
Ціна: 4900 грн.
Пакет "Антикрига"
Ваш комфорт та безпека в зимовий час
Більшість забудовників не надають значення захисту власних будинків від блискавки. Причини різні: хтось намагається заощадити, хтось взагалі вважає, що це нісенітниця. Але, як показує практика, за 3-4 роки після будівництва будинку, багато хто повертається до цього питання. Чи то "грім грянув", і в сусіда в грозу згоріла вся побутова техніка, чи то на очі потрапила статистика: "щороку в Україні трапляється близько 3500 пожеж, спричинених ударом блискавки…"
Ми пропонуємо відразу вирішити це питання: вибрати тип захисту і спланувати її розміщення на стадії проектування будинку. По-перше, блискавка може вдарити в будинок і відразу після закінчення робіт з будівництва – прикро буде, а по-друге, з чисто естетичних міркувань – не потрібно буде зайвий раз довбати стіни будинку і тягнути токовідвід по фасаду, порушуючи продуманий зовнішній вигляд будівлі.
Захист будинку від блискавки являє собою систему пристроїв, розташованих як поза домом, так і всередині приміщень. Зовнішній блискавкозахист попереджає попадання блискавки в будинок, внутрішнє – забезпечує захист електромережі від різких стрибків напруги. А додаткові пристрої захищають техніку в будинку від різких змін електромагнітного поля в радіусі удару блискавки.
Обираючи пакет "Блискавкозахист" від компанії Dom4M, Ви можете бути абсолютно впевнені у безпеці Вашого житла, навіть у найсильнішу грозу.
Ціна: 4900 грн.
Пакет "Блискавкозахист"
Подбайте про безпеку заздалегідь
«Центральний пилосос »являє собою різновид системи аспірації (видалення дрібних частинок за допомогою засмоктування їх повітряним потоком)
.jpg)
Невід'ємна частина сучасного будинку - комфорт, чистота і свіже повітря
Не відмовляйте собі в комфорті
Знаючі люди стверджують, що підігрів підлоги застосовували ще у стародавньому
Римі. А вони, напевне, зналися на комфорті. Сьогодні цей спосіб опалення не тільки не забутий, а й розвивається на основі сучасних матеріалів та технологій. Тепла підлога стала важливою складовою комфорту та якісним доповненням до будь-якої опалювальної системи.
Пакет "Тепла підлога", який рекомендує наша компанія, дозволить створити в будинку затишну атмосферу і повною мірою оцінити переваги цієї технології:
Комфортний клімат у вашому будинку
Кожен заміський будинок зобов'язаний мати свій паспорт. У цьому документі зібрані загальні відомості про проект будинку. Що називається, не вдаючись у подробиці та деталі. Більш повну інформацію завжди можна знайти в Архітектурному і Конструкторському розділах кожного проекту. У паспорті ж зазначені лише основні розміри, висоти та техніко-економічні параметри.
У Архітектурному паспорті представлені документи, які суттєво прискорять всілякі узгодження в місцевих органах архітектурного нагляду і, зрештою, отримання дозволу на будівництво.
Архітектурний паспорт краще замовляти в тій же компанії, яка готувала і сам проект будинку: як кажуть, «при великому обсязі, передбачається знижка». Адже, питання економії для будь-якого забудовника важливе. І, крім того, саме архітектори та інженери-конструктори нашої компанії, що працювали над вашим проектом, зможуть зробити це швидко і органічно.
Ціна: 3500 грн.
Архітектурний паспорт дозволить отримати дозвіл на будівництво в місцевих органах архітектурного нагляду.
Це велика проблема – вибрати проект будинку для сейсмонебезпечного району. Кількість спеціалізованих проектів дуже обмежена, тому складно підібрати що-небудь, відповідне вашим уявленням про безпечне та затишне житло.
Пропонуємо своє рішення цього питання. Вам не доведеться погоджуватися на компромісний варіант – безпека на шкоду зовнішньому вигляду або навпаки. Ми готові адаптувати будь-який наш проект під сейсмонебезпечний регіон, де дозволено житлову забудову.
Сейсмічно безпечний будинок: надійно, та гарно
Замовте додаткову копію проекту з печаткою.
При типовому замовленні ми відправляємо два примірники: один примірник передається будівельникам, другий залишається у замовника. Замовте ще один примірник, якщо є необхідність надати його третім особам (постачальникам матеріалів, наприклад).
Також додаткова копія проекту може стати в нагоді, якщо часу обмаль. Тоді, це допоможе істотно прискорити роботу з адаптації проекту, а наявність копій відразу у декількох фахівців дозволить скоротити терміни будівництва. Крім того, це допоможе у випадку відновлення втрачених або зіпсованих документів.
Телефонуйте до компанії Dom4M, і ми оформимо документи максимально оперативно.
Ціна: 1800 грн.
Для передбачливих: додаткова копія проекту з печаткою
Виїзд архітектора здійснюється по м.Києву та довколишнім населеним пунктам.
Первинний виїзд припускає: отримання технічного завдання та збір інформації, комунікації, архітектурні дані будівель, уточнення лінійних і висотних розмірів ділянки, фотофіксацію.
Ціна: 1000 грн. за годину*
*час рахується з моменту виїзду з офісу, та до моменту повернення.
Виїзд архітектора
Отримайте консультацію та рекомендації від архітектора безпосередньо у Вас на ділянці
Будівельний паспорт забудови земельної ділянки – документ, на підставі якого визначається комплекс містобудівних та архітектурних вимог до розміщення і будівництва індивідуального приватного житлового будинку (в тому числі садових, дачних будинків, господарських будівель та споруд, які знаходяться на присадибній ділянці, гаражів, елементів інженерного захисту, благоустрою та озеленення земельної ділянки), але не вище 2-ох поверхів (без урахування мансардного поверху) з площею до 300 квадратних метрів.
Для об'єктів будівництва, на які надається будівельний паспорт, розробка проекту будівництва здійснюється виключно за бажанням замовника. Проектування на підставі будівельного паспорта здійснюється без отримання містобудівних умов та обмежень.
У випадку, якщо планується будівництво приватного житлового будинку вище 2-ох поверхів (без урахування мансардного поверху), а також якщо площа будинку буде перевищувати 300 квадратних метрів, то необхідно отримати містобудівні умови та обмеження забудови земельної ділянки.
Для отримання будівельного паспорта забудовник звертається до головного управління архітектури та містобудування з письмовою заявою про наміри забудови земельної ділянки.
До заяви також додаються:
Органи містобудування та архітектури визначають відповідність намірів забудови земельної ділянки чинній містобудівній документації (генеральному плану населеного пункту, плану зонування та детальному плану території, схемі планування території) у частині функціонального, цільового, будівельного та ландшафтного використання земельної ділянки. Відмова про надання будівельного паспорта разом з відповідним обґрунтуванням видається спеціально уповноваженим органом містобудування та архітектури в 10-денний термін. Причиною для відмови у наданні будівельного паспорта є невідповідність намірів забудови земельної ділянки вимогам містобудівної документації на місцевому рівні, будівельним нормам, державним стандартам та правилам.
Ціна: від 6000 грн.
Будівельні роботи - це роботи з нового будівництва, реконструкції, технічного переоснащення діючих підприємств, реставрації, капітального ремонту. Будівельні роботи можуть виконуватися замовником тільки після отримання документа, що засвідчує право власності чи користування земельною ділянкою:
Повідомлення про початок виконання будівельних робіт - це документ, який стосується об'єктів, будівництво яких здійснюється на підставі будівельного паспорта, і які не вимагають реєстрації декларації про початок виконання будівельних робіт або отримання дозволу на виконання будівельних робіт. Будівництво таких об'єктів здійснюється після направлення повідомлення про початок виконання будівельних робіт до інспекції за місцезнаходженням об'єкта будівництва і подається тільки за умови, що площа новобудови не перевищує 300 квадратних метрів.
Декларація, як і повідомлення про початок виконання будівельних робіт, надає право на будівництво. Вона потрібна для виконання будівельних робіт на об'єктах, що належать до I-III категорії складності. Підключення об'єкта будівництва до інженерних мереж та споруд без реєстрації повідомлення або декларації забороняється. За чинним законодавством, замовник несе відповідальність за виконання будівельних робіт без зареєстрованої декларації або без подачі повідомлення.
Ціна: від 3000 грн.
Містобудівні умови та обмеження забудови земельної ділянки – документ, що містить комплекс планувальних та архітектурних вимог до проектування і будівництва по поверховості та щільності забудови земельної ділянки, відступів будинків і споруд від червоних ліній, меж земельної ділянки, її благоустрою та озеленення, інші вимоги до об'єкта будівництва, встановлені законодавством та містобудівною документацією. Документ складається з текстової та графічної частин.
Графічна частина містить:
Замовник має право звернутися до органу місцевого самоврядування, а також до осіб, які надали технічні умови, з проханням продовжити термін дії вихідних даних.
Містобудівні умови та обмеження забудови земельної ділянки надаються замовникові управлінням містобудування та архітектури міської ради у двотижневий строк з дня реєстрації клопотання у випадку, якщо зазначені в заяві наміри належать до переважного чи допустимого виду забудови відповідної території.
Для отримання містобудівних умов та обмежень до заяви додаються:
У випадку, якщо наміри забудови земельної ділянки не відповідають вимогам містобудівної документації та видам використання території, орган місцевого самоврядування, протягом місяця з дня реєстрації заяви, надає заявнику висновок щодо невідповідності та рекомендації стосовно можливої зміни намірів забудови земельної ділянки. Містобудівні умови та обмеження забудови земельної ділянки є підставою для отримання інших вихідних даних для проектування об'єкта забудови та здійснення цього проектування.
Ціна: від 6000 грн.
Деталізований варіант генерального плану називається детальним планом території. Він розробляється для територій житлових районів, мікрорайонів, кварталів нової забудови, комплексної реконструкції кварталів, мікрорайонів застарілого житлового фонду, територій виробничої, рекреаційної та іншої забудови. Послідовність розробки і площі територій, для яких створюються детальні плани, визначає відповідний уповноважений орган містобудування та архітектури відповідно до генерального плану населеного пункту. Детальний план території розробляється суб'єктами господарської діяльності, у штаті яких є архітектори, які мають відповідний сертифікат, що підтверджує їх кваліфікацію.
Рішення про розробку генерального плану, плану зонування території, детального плану території, розташованої в межах населеного пункту, а також про внесення змін в цю містобудівну документацію приймає відповідна сільська, селищна, міська рада. Рішення про розробку детального плану території, розташованої за межами населеного пункту, або про внесення змін до нього приймає відповідна районна державна адміністрація.
Ціна: від 10 000 грн.
Технічний супровід здійснюється протягом всього періоду будівництва запроектованого об'єкта, для того, щоб попередити можливість порушення державних будівельних норм, правил та законодавства у сфері будівництва. Наявність фахівця, який веде технічний нагляд за будівництвом, є однією з вимог при отриманні документа, який дозволяє розпочати будівельні роботи, а також документа, що посвідчує успішну здачу об'єкта будівництва в експлуатацію.
Технічне обстеження будівельних конструкцій та інженерних мереж здійснюється у випадках, коли необхідно встановити факт надійності будівлі та її безпечної експлуатації.
Технічний супровід забезпечується замовником(забудовником) протягом усього періоду будівництва об'єкта. Метою здійснення контролю є дотримання проектних рішень та вимог державних стандартів, будівельних норм та правил. Також повинні контролюватися обсяги робіт, виконаних під час будівництва та зміни (у тому числі шляхом знесення) такого об'єкта. Технагляд можуть здійснювати особи, які мають кваліфікаційний сертифікат, виданий архітектурно-будівельною атестаційною комісією відповідно до законодавства.
Ціна: від 2 000 грн.
Авторський нагляд – послуга, метою якої є реалізація існуючого проекту. Такий нагляд необхідний для оформлення дозвільної документації на будівництво.
Він здійснюється архітектором - автором проекту об'єкта архітектури, іншими розробниками затвердженого проекту або уповноваженими особами (далі - генеральний проектувальник) відповідно до чинного законодавства та договору із замовником (забудовником) протягом усього періоду будівництва. При цьому, передбачається здійснення контролю за відповідністю будівельно-монтажних робіт проекту.
Такий контроль дозволить виключити всілякі неточності, з якими доводиться стикатися при будівництві або ремонті, а також заощадити гроші при підборі будівельних матеріалів, освітлення та іншого.
Існує два варіанти проведення авторського нагляду:
Замовник повинен розуміти, що архітектор не вирішує такі питання як: замовлення та доставка будівельних та оздоблювальних матеріалів, їх розвантаження. Він не може вплинути на терміни виконання тих чи інших робіт. Основне завдання архітектора – проконтролювати ремонтні (оздоблювальні) роботи і добитися їх відповідності з розробленим проектом.
Авторський нагляд – гарантія того, що всі ремонтні та оздоблювальні роботи приведуть до бажаного результату, який і був закладений у проект. Такі результати фіксуються в журналі, який оформляється генеральним проектувальником у двох примірниках, один з яких зберігається у замовника, а другий - у генерального проектувальника. Після прийняття об'єкта в експлуатацію генеральний проектувальник повинен зберігати примірник журналу авторського нагляду в архіві.
Ціна: від 2 000 грн.
Прийняття в експлуатацію об'єктів, що відносяться до I-III категорії складності, та об'єктів, будівництво яких здійснено на підставі будівельного паспорта, проводиться шляхом реєстрації Державною архітектурно-будівельною інспекцією та її територіальними органами поданої замовником декларації про готовність об'єкта до експлуатації. Датою прийняття в експлуатацію об'єкта є дата реєстрації декларації або видачі сертифіката. Експлуатація об'єктів, не прийнятих в експлуатацію, забороняється.
Зареєстрована декларація або сертифікат є підставою для укладення договорів про постачання, на прийнятий в експлуатацію об'єкт, необхідних для його функціонування ресурсів - води, газу, тепла, електроенергії, включення даних про такий об'єкт до державної статистичної звітності та оформлення права власності на нього.
Ціна: від 3000 грн.
Ціна 4-10 грн. за м2 Мінімальна ціна техпаспорта 600 грн. Гараж, квартира – від 800 грн.
Послуги з виготовлення технічного паспорта.
Технічний паспорт – документ, який складається на основі матеріалів технічної інвентаризації об'єкта нерухомого майна та містить основні відомості про нього. Техпаспорт виготовляється БТІ. Процедура технічної інвентаризації обов'язкова. Вона являє собою процес обстеження та технічні вимірювання нерухомості (житловий або нежитловий фонд) з визначенням фактичної площі, технічного стану об'єкта нерухомості й визначення його інвентаризаційної вартості.
Технічна інвентаризація проводиться:
В інших випадках технічна інвентаризація проводиться за бажанням замовника.
До об'єктів, що підлягають технічній інвентаризації, належать:
Проведення оцінки майна є обов'язковим у випадках:
Експертна оцінка житлових будинків, як і оцінка нерухомості інших типів, найчастіше необхідна:
Особливістю оцінки житлових будинків є те, що в більшості випадків при оцінці будинку потрібне проведення також експертної грошової оцінки земельної ділянки, на який розташований цей будинок.
Оціночна вартість нерухомого майна, крім об'єктів незавершеного будівництва, визначається шляхом застосування порівняльного підходу на основі інформації про продаж нерухомого майна, яке було продано не більше ніж за шість місяців до дати проведення оцінки або пропонується для продажу на дату проведення оцінки.
Загальним алгоритмом застосування порівняльного підходу є:
Оціночна вартість об'єкта оцінки може визначатися шляхом застосування інших методичних підходів, на вибір суб'єкта оціночної діяльності, з урахуванням індивідуальних характеристик об'єкта та особливостей, передбачених національними стандартами оцінки.
Приватизація землі – це перехід права власності на земельну ділянку до фізичної або юридичної особи. Громадянин, який є користувачем землі та зацікавлений у її приватизації, повинен подати заяву до органів місцевої державної адміністрації за місцем розташування цієї ділянки. Орган місцевого самоврядування або орган виконавчої влади розглядає подану заяву протягом місяця та видає рішення на розробку проекту приватизації землі.
На розробку документації йде 1-2 дні. Видача дозволу відбувається в термін від 14 до 180 днів, залежно від того, де знаходиться земельна ділянка.
Для приватизації землі необхідно подати такі документи:
Ціна: від 10 000 грн., під ключ
Кожна земельна ділянка має певне цільове призначення. Іноді виникають ситуації, коли власнику необхідно змінити цільове призначення земельного наділу. Для цього необхідно подати заяву (клопотання) у відповідну адміністрацію, у відомстві якої знаходиться дана ділянка. До заяви необхідно додати копії таких документів:
Після розгляду пакету документів буде винесено дозвіл на зміну цільового призначення землі. Після цього необхідно розробити проект, погодити його з усіма інстанціями і надати затвердження до органу, який видав дозвіл на зміну цільового призначення землі. Тільки після цього буде зареєстрований новий державний акт, в якому буде вказано нове призначення земельної ділянки.
Зміна цільового призначення землі здійснюється в кілька етапів. На розробку проекту йде 1-2 дні, а на узгодження може піти до півтора місяці.
Для проведення даної процедури необхідно надати:
Відповідно до Земельного кодексу України від 25.10.2001 р. (із змінами та доповненнями), зміна цільового призначення земельних ділянок приватної власності здійснюється:
Проект землеустрою щодо виділення земельної ділянки приватної власності, цільове призначення якої підлягає зміні, розробляється за замовленням власника земельної ділянки без надання дозволу на його розробку. Даний дозвіл видається Радою міністрів Автономної Республіки Крим, органом виконавчої влади, органом місцевого самоврядування.
Ціна: від 10 000 грн., під ключ
Поділ земельної ділянки можливий у таких випадках:
Поділ земельної ділянки проводиться за бажанням власника відокремити одну або кілька частин. При поділі ділянки землі на кілька – встановлюються нові межові знаки.
Поділ земельної ділянки можливий після розробки документації із землеустрою та формуванню ділянки у Державному земельному кадастрі з метою присвоєння кадастрового номера та проведення державної реєстрації права власності окремо на кожну з ділянок, які виникли в результаті розділу.
Об'єднання земельних ділянок можливо при дотриманні наступних умов:
Об'єднання здійснюється за бажанням власника земельної ділянки.
Створені в результаті поділу чи об'єднання земельні ділянки після оформлення документів в Держземагентстві, в обов'язковому порядку реєструється в Державній реєстраційній службі.
Для процедури поділу / об'єднання земельних ділянок необхідно надати наступні документи:
Ціна: від 10 000 грн., під ключ за кожну ділянку
Кадастровий номер – це унікальний номер, присвоєний тільки одній земельній ділянці. Обов'язковим етапом присвоєння кадастрового номера є занесення даного номера до електронної бази. Кадастровий номер зберігається протягом усього періоду існування ділянки (як фізично, так і юридично). При цьому зміна власника земельної ділянки або її цільового призначення не дає підстав для зміни кадастрового номера.
Список документів, необхідних для присвоєння кадастрового номера ділянкам, на які видавалися державні акти старого зразка (до 2003 року):
Власники земельних ділянок, які оформили право власності або право користування до 2003 року (держакти червоного або жовтого кольору), можуть зіткнутися з труднощами при відчуженні земельної ділянки, оскільки в цих актах немає кадастрового номера. У договорах ж купівлі-продажу, дарування, міни, а також в договорах іпотеки, з метою ідентифікації земельної ділянки, вказується кадастровий номер.
Наша компанія реалізує комплекс послуг з підготовки та внесення інформації до бази даних Державного кадастрового обліку земельних ділянок.
Ціна: від 6000 грн.
Державна реєстрація прав проводиться органом державної реєстрації прав та нотаріусом, шляхом внесення записів до Державного реєстру прав. Нотаріус при цьому виступає як спеціальний суб'єкт, на якого покладаються функції державного реєстратора прав на нерухоме майно.
Орган державної реєстрації прав проводить:
Якщо нерухоме майно розташоване в межах території, на якій діють два і більше органів державної реєстрації прав, то реєстрація прав та облік безхазяйного нерухомого майна проводяться одним з таких органів, обраним на розсуд зацікавленої особи або уповноваженої ним особи.
У Державному реєстрі прав реєструються майнові права та їх обтяження на об'єкти нерухомого майна, а саме: земельні ділянки, підприємства як єдині майнові комплекси, житлові будинки, будівлі, споруди або їх окремі частини, квартири, житлові та нежитлові приміщення.
Ціна: від 3000 грн.
Пакет "Дозвіл на будівництво"
Для тих, хто будується у Києві та Київській області, та деяких інших містах, можемо запропонувати допомогу в оформленні документів.




